NIMI Assignment Basic Electrical Practice In Hindi—इस लेख में आईटीआई इलेक्ट्रिशियन की निमी ऑब्जेक्टिव क्वेश्चन बैंक के प्रथम सेमेस्टर के "बेसिक इलेक्ट्रिकल प्रैक्टिस" के बहुविकल्पीय प्रश्न और उनका उत्तर दिया गया है।
1. तांबे के परमाणु के तीसरे कक्ष में कितने इलेक्ट्रॉन होते हैं? (how many electrons are there in the third cell of the copper atom)(A) 8
(B) 13
(C) 18
(D) 29
उत्तर— C
नोट:— तांबा का परमाणु क्रमांक 29 होता है तथा इसका इलेक्ट्रानिक्स विन्यास 2, 8, 18, 1 होता है। इस प्रश्न में तीसरे कक्षा में इलेक्ट्रॉन की संख्या पूछा गया है।
2. अर्धचालक पदार्थ कौन सा है? (which is the semiconductor material)
(A) यूरेका (eureka)
(B) एबोनाइट (ebonite)
(C) मैग्निन (manganin)
(D) जर्मेनियम (germanium)
उत्तर— D
नोट:— यूरेका और मैग्निन चालक होते है, जबकि एबोनाइट अचालक होता है।
3. नियॉन ध्रुवता संकेतक का एसी आपूर्ति जांचते समय संकेत क्या होता है? (what is the indication of neon polarity indicator used for checking ac supply)
(A) दोनो इलेक्ट्रोड जलते है (both electrode will glow)
(B) केवल एक इलेक्ट्रोड जलता है (only one electrode will glow)
(C) दोनो इलेक्ट्रोड चमकते है (both electrode will be flickering)
(D) एक इलेक्ट्रोड जलेगा और दूसरा चमकेगा (one electrode will glow and another will be flickering)
उत्तर— A
4. 500 वॉट के लैंप को 5 घंटे जलाने पर विद्युत ऊर्जा को यूनिट में निकालिए? (calculate the electrical energy in unit consumed by 500W lamp for 5 hours)
(A) 0.5 यूनिट (unit)
(B) 1.0 यूनिट (unit)
(C) 1.5 यूनिट (unit)
(D) 2.5 यूनिट (unit)
उत्तर— D
नोट:— Kwh= वाट × घंटा /1000 इसलिए Kwh= 500 × 5/ 1000= 2.5 यूनिट
5. 100W/250V से रेटेड बल्ब के गर्म प्रतिरोध का मान क्या होगा? (what is the value of hot resistance of a bulb rated as 100W/250V)
(A) 31.25 ओह्म (ohm's)
(B) 62.50 ओह्म (ohm's)
(C) 312.50 ओह्म (ohm's)
(D) 625.00 ओह्म (ohm's)
उत्तर— D
नोट:— R=V²/P से जो प्रतिरोध निकालते है ये हॉट रेजिस्टेंस ही होता है? इसलिए R=250²/100= 625
6. कौन सा नियम कहता है की बंद विद्युत परिपथ में लगाया गया वोल्टेज, वोल्टेज पात के योग के बराबर होता है? (which law states that in closed electric circuit, the applied voltage is equal to the sum of the voltage drops)
(A) ओह्म का नियम (ohm's law)
(B) प्रतिरोध का नियम (law of resistance)
(C) किरचॉफ का पहला नियम (kirchhoff's first law)
(D) किरचॉफ का दूसरा नियम (kirchhoff's second law)
उत्तर— D
नोट:— किरचॉफ का वोल्टेज नियम ऊर्जा संरक्षण पर तथा किरचॉफ का धारा नियम आवेश संरक्षण के सिद्धांत पर कार्य करता है।
7. 200W/240V के दो लैंप 240V आपूर्ति से श्रेणी में जुड़े हैं कुल शक्ति ज्ञात कीजिए? (calculate the total power of the circuit of two lamps rated as 200W/240V are connected in series across 240V supply)
(A) 50W
(B) 100W
(C) 200W
(D) 400W
उत्तर— B
नोट:— Series resistance= P1 × P 2/ P1 + P 2 = 200×200/200+200= 100W
8. यदि तीन प्रतिरोध R1, R2 & R3 समान्तर परिपथ में जुड़े हो तो कुल प्रतिरोध ज्ञात कीजिए? (what is the formula for the equivalent resistance (RT) of the three resistors R1, R2 & R3 are connected in parallel circuit)
(A) RT= R1 + R2 + R3
(B) RT= 1/R1 + 1/R2 + 1/R3
(C) RT= 1/ R1 + R2 + R3
(D) RT= 1/1/R1 + 1/R2 + 1/R3
उत्तर— D
9. ओह्म मीटर का पाठ्यांक खुले हुए R2 प्रतिरोध पर क्या होगा? (what is the reading of ohmmeter across opened R2 resistor)
(A) शून्य पाठ्यांक पर संकेत (indicate zero reading)
(B) अनन्त पाठ्यांक पर संकेत (indicate infinite resistance)
(C) परिपथ का कुल प्रतिरोध मान (total resistance value of the circuit)
(D) R1 और R3 प्रतिरोध के योग का मान (value of sum of the resistance of R1 and R3 only)
उत्तर— B
10. किसी चालक के प्रतिरोध में क्या परिवर्तन होगा यदि उसके व्यास को दोगुना कर दिया जाय? (what is the change of resistance value of the conductor as its diameter is doubled)
(A) दोगुना तक बढ़ जायेगा (increases to two times)
(B) चार गुना तक कम हो जायेगा (decreases to four times)
(C) आधा तक कम हो जाएगा (decrease to half of the value)
(D) प्रतिरोध में कोई परिवर्तन नहीं होगा (no change in value of resistance)
उत्तर— B
11. प्रतिरोध का क्या नाम है? (what is the name of the resistor)
(A) धातु फिल्म प्रतिरोध (metal film resistor)
(B) तार बंधे हुए प्रतिरोध (wire wound resistor)
(C) कॉर्बन फिल्म प्रतिरोध (carbon film resistor)
(D) कॉर्बन मिश्रित प्रतिरोध (carbon composition resistor)
उत्तर— B
12. रंग कूट (कलर कोडिंग) विधि के द्वारा प्रतिरोध का मान बताइए? (calculate the resistance value of the resistor by colour coding method)
(A) 23 × 10³ W ±5%
(B) 26 × 10³ W ±10%
(C) 32 × 10⁴ W ±10%
(D) 37 × 10⁴ W ±5%
उत्तर— B
13. ओह्ममीटर को अरेखीय क्रम में क्यों समंजित किया जा सकता है? (why the ohmmeter is graduated with non linear scale)
(A) वोल्टेज, प्रतिरोध के समानुपाती है (voltage is directly proportional to resistance)
(B) धारा, प्रतिरोध के व्युत्क्रमानुपाती है (current is inversely proportional to resistance)
(C) प्रतिरोध, धारा के वर्ग के व्युत्क्रमानुपाती है (resistance is inversely proportional to the square of current)
(D) वोल्टेज, धारा के वर्ग के समानुपाती है (voltage is directly proportional to the square of current)
उत्तर— B
14. व्हीटस्टोन ब्रिज की सन्तुलन की अवस्था में अज्ञात प्रतिरोध RDC का मान ज्ञात कीजिए जब PAB= 500Ω, QBC= 300Ω, SAO= 15Ω हो? (calculate the value of unknown resistance RDC in the wheatstone bridge network, if PAB= 500Ω, QBC= 300Ω, SAO= 15Ω)
(A) 12Ω
(B) 9Ω
(C) 6Ω
(D) 3Ω
उत्तर— B
नोट:— P/Q = S/R से हल करे।
15. किस पदार्थ में ऋणात्मक तापमान गुणांक का गुण होगा है? (which material is having negative temperature co-efficient property)
(A) अभ्रक (mica)
(B) यूरेका (eureka)
(C) तांबा (copper)
(D) मैग्नीन (manganin)
उत्तर— A
16. ओह्म के नियम से संबंधित विद्युत राशियां कौन सी है? (what electrical quantities are related in ohm's law)
(A) धारा, प्रतिरोध एवम शक्ति (current, resistance and power)
(B) धारा, वोल्टेज और प्रतिरोधकता (current, voltage and resistivity)
(C) धारा, वोल्टेज और प्रतिरोध (current, voltage and resistance)
(D) वोल्टेज, प्रतिरोध और धारा दक्षता (voltage, resistance and current density)
उत्तर— C
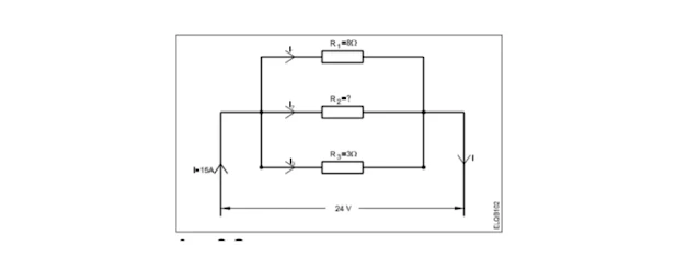
17. समांतर परिपथ में R2 का मान ज्ञात कीजिए? (calculate the value of resistance R2 in the parallel circuit)
(A) 2Ω
(B) 4Ω
(C) 6Ω
(D) 8Ω
उत्तर— C
18. एक शाखा खुली होने पर समान्तर परिपथ में क्या प्रभाव होगा? (what is the effect of the parallel circuit with one branch opened)
(A) धारा समान बनी रहेगी (current will remain same)
(B) पूरा परिपथ कार्य नहीं करेगा (whole circuit will not function)
(C) उस शाखा में धारा नही बहेगी (no current will flow in that branch)
(D) खुली शाखा में वोल्टेज पात बढ़ जायेगा (voltage drop increase in the opened branch)
उत्तर— C
19. प्रतिरोधकता की इकाई क्या है? (what is the unit of resistivity)
(A) ओह्म/सेमी (ohm/cm)
(B) ओह्म/सेमी² (ohm/cm²)
(C) ओह्म–मीटर (ohm–meter)
(D) ओह्म/मीटर (ohm/meter)
उत्तर— C
20. सर्किट ब्रेकरो में आर्क शमन सुरक्षा के लिए किस प्रकार के प्रतिरोध का उपयोग किया जाता है? (which type of resistor is used for Arc quenching protection in circuit breakers)
(A) वैरिस्टर (varistors)
(B) सेंसिस्टर (sensistors)
(C) थर्मिस्टर (thermistors)
(D) लाइट डिपेंडेंट रिजिस्टर (light dependent resistor or LDR)
उत्तर— A
21. रंग कूट विधि के द्वारा प्रतिरोध का मान बताइए? (calculate the value of resistance by colour coding method)
(A) 22 × 10³ ±10%
(B) 23 × 10⁴ ±10%
(C) 25 × 10³ ±5%
(D) 36 × 10⁴ ±5%
उत्तर— C
22. व्हीटस्टोन ब्रिज की सन्तुलन की अवस्था में अज्ञात प्रतिरोध RDC का मान ज्ञात कीजिए जब PAB= 400Ω, QBC= 200Ω, SAD= 12Ω हो? (calculate the unknown resistance RDC in the wheatstone bridge circuit, if PAB= 400Ω, QBC= 200Ω and SAD= 12Ω at balanced)
(A) 4Ω
(B) 6Ω
(C) 8Ω
(D) 12Ω
उत्तर— B
23. वोल्टमीटर V का पाठ्यांक बताइए? (what is the reading of the voltmeter V)
(A) 0V
(B) 6V
(C) 9V
(D) 18V
उत्तर— D
24. श्रेणी परिपथ का क्या उपयोग है? (which is the application of series circuit)
(A) वोल्टमीटर संयोजन (voltmeter connection)
(B) घरों में प्रकाशीय परिपथ (lighting circuits in home)
(C) अमीटर में शंट प्रतिरोध (shunt resistor in ammeter)
(D) वोल्टमीटर का मल्टीप्लायर प्रतिरोध (multiplier resistor of a voltmeter)
उत्तर— D
25. श्रेणी परिपथ में खुले हुए प्रतिरोध पर क्या प्रभाव है? (what is the effect on opened resistor in series circuit)
(A) खुले प्रतिरोध में कोई प्रभाव नहीं (no effect in opened resistor)
(B) खुले प्रतिरोध में से पूर्ण परिपथ धारा बहेगी (full circuit current will flow in opened resistor)
(C) खुले प्रतिरोध के दोनो ओर कुल आपूर्ति वोल्टेज दिखेगा (total supply voltage will appear across the opened resistor)
(D) खुले प्रतिरोध के दोनो ओर कोई वोल्टेज नही दिखेगा (no voltage will appear across the opened)
उत्तर— C
26. R3 प्रतिरोधक में प्रतिरोध का मान बताइए? (calculate the resistance value in R3 resistor)
(A) 4 ओह्म (ohms)
(B) 6 ओह्म (ohms)
(C) 8 ओह्म (ohms)
(D) 12 ओह्म (ohms)
उत्तर— D
27. परिपथ का क्या प्रभाव होगा यदि ab को लघुपथित कर दिया जाए? (what is the effect of the circuit if ab points are shorted)
(A) परिपथ प्रतिरोध शून्य हो जायेगा (circuit resistance will be zero)
(B) सभी शाखाओं में समान धारा बहेगी (same current will flow in all branches)
(C) प्रत्येक शाखा में आपूर्ति वोल्टेज रहेगा (supply voltage will exist in each branch)
(D) कुल परिपथ धारा प्रत्येक शाखा धारा के समान होगी (total circuit current is equal to each branch)
उत्तर— A
28. यदि तापमान में वृद्धि के साथ इसका मान बढ़ता है तो प्रतिरोध का नाम क्या है? (what is the name of the resistor if its resistance value increase with increase in temperature)
(A) वैरिस्टर (varistors)
(B) सेंसिस्टर (sensistors)
(C) थर्मिस्टर (thermistor)
(D) लाइट डिपेंडेंट रेजिस्टर (light dependent resistor or LDR)
उत्तर— B
29. विद्युत मात्रा का सूत्र क्या है? (what is the formula for quantity of electricity 'Q')
(A) धारा × समय (current × time)
(B) वोल्टेज × धारा (voltage × current)
(C) धारा × प्रतिरोध (current × resistance)
(D) वोल्टेज × प्रतिरोध (voltage × resistance)
उत्तर— A
30. चालकता की इकाई क्या है? (what is the unit of conductance)
(A) म्हो (mho)
(B) ओह्म (ohm)
(C) ओह्म–मीटर (ohm – meter)
(D) ओह्म/मीटर (ohm/meter)
उत्तर— A
31. ओह्म प्रति डिग्री सेंटीग्रेड (°C) में प्रतिरोध में परिवर्तन को कौन सा परिभाषित करता है? (which one defines the change in resistance in ohm per degree centigrade)
(A) तापमान प्रभाव (temperature effect)
(B) तापमान के नियम (law of temperature)
(C) तापमान नियतांक (temperature constant)
(D) तापमान गुणक (temperature co–efficient)
उत्तर— D
32. बैटरी की ध्रुवता जांचने के लिए किस प्रकार का मीटर प्रयोग किया जाता है? (which type of meter is used to test the polarity of battery)
(A) चल लौह अमीटर (moving iron ammeter)
(B) चल कुंडली वोल्टमीटर (moving coil voltmeter)
(C) चल लौह वोल्टमीटर (moving iron voltmeter)
(D) डायनामोमीटर प्रकार का वाटमीटर (dynamo meter type wattmeter)
उत्तर— B
33. श्रेणी परिपथ में प्रतिरोधक R2 में वोल्टेज पात का मान बताइए? (what is the voltage drop in resistor R2 in the series circuit)
(A) 5 वोल्ट (volt)
(B) 10 वोल्ट (volt)
(C) 15 वोल्ट (volt)
(D) 20 वोल्ट (volt)
उत्तर— B
34. श्रेणी परिपथ का क्या उपयोग है? (which is the application of series circuit)
(A) परिपथ में फ्यूज (fuse in circuit)
(B) वोल्टमीटर संयोजन (voltmeter connection)
(C) घरों में विद्युत लैप (electrical lamp in homes)
(D) अमीटर में शंट प्रतिरोधक (shunt resistor in ammeter)
उत्तर— A
35. 1 ओह्म से 100K ओह्म तक मापन हेतु कौन सी विधि का उपयोग किया जाता है? (which method is used for measuring 1ohm to 100K ohm range resistance)
(A) प्रतिस्थापन विधि (substitution method)
(B) केल्विन ब्रिज विधि (kelvin bridge method)
(C) व्हीटस्टोन ब्रिज विधि (wheat stone bridge method)
(D) वोल्टमीटर और अमीटर विधि (voltmeter and ammeter method)
उत्तर— C
36. विशिष्ट प्रतिरोध की SI इकाई क्या है? (what is the S.I unit of specific resistance)
(A) ओह्म/सेमी (ohm/cm)
(B) ओह्म/मीटर² (ohm/meter²)
(C) ओह्म–मीटर (ohm–meter)
(D) माइक्रो ओह्म/सेमी² (micro ohm/cm²)
उत्तर— C
37. प्रतिरोधक के प्रतिरोध का क्या मान है? (what is the value of resistance of the resistor)
(A) 330 ±5% ओह्म (ohm)
(B) 3300 ±10% ओह्म (ohm)
(C) 33000 ±5% ओह्म (ohm)
(D) 330000 ±10% ओह्म (ohm)
उत्तर— B
38. श्रेणी प्रकार के ओह्म मीटर परिपथ में शंट प्रतिरोध R2 का क्या उपयोग है? (what is the purpose of the shunt resistor R2 used in series type ohm meter circuit)
(A) परिपथ में धारा को सीमित करना (to limit the current in the circuit)
(B) मीटर प्रतिरोध के मान को बढ़ाना (to increase the value of meter resistance)
(C) संकेतक की शून्य स्थिति को समंजित करना (to adjust the zero position of the pointer)
(D) परिपथ में अतिरिक्त धारा को रोकना (to prevent the excess current in the circuit)
उत्तर— C
39. कौन सी विद्युतीय राशि चालक में ऊष्मा उत्पन्न को प्रभावित करती है? (which electricial quantity affects the heat generated in a conductor)
(A) वोल्टेज (voltage)
(B) धारा का वर्ग (square of the current)
(C) प्रतिरोध का वर्ग (square of the resistance)
(D) उससे प्रवाहित धारा (current passed through it)
उत्तर— B
40. चालक के प्रतिरोध के मान में क्या परिवर्तन होता है, अगर इसका अनुप्रस्थ काट क्षेत्रफल दुगुना हो जाता है? (what is the change in value of resistance of the conductor, if its cross section area is doubled)
(A) कोई परिवर्तन नही (no change)
(B) दो गुना कम हो जाता है (decrease 2 times)
(C) दो गुना अधिक हो जाता है (increase 2 times)
(D) चार गुना कम हो जाता है (decrease 4 times)
उत्तर— B
41. परिपथ में प्रतिरोधक R4 पर वोल्टेज पात की गणना कीजिए? (calculate the voltage drop across the resistor R4 in the circuit)
(A) 48V
(B) 72V
(C) 80V
(D) 100V
उत्तर— D
42. लाइट डिपेंडेंट रजिस्टर का प्रतिरोध क्या होगा, यदि प्रकाश की तीव्रता बढ़ा दी जाए? (what is the resistance of light dependent resistor LDR, if the intensity of light is increased)
(A) बढ़ेगी (increases)
(B) घटेगी (decreases)
(C) समान रहेगी (remain same)
(D) अनंत हो जायेगी (become infinity)
उत्तर— B
43. डीसी परिपथ में शक्ति की गणना करने का क्या सूत्र है? (which formula is used to calculate the power of a DC circuit)
(A) वोल्टेज × समय (voltage × time)
(B) धारा × वोल्टेज (current × voltage)
(C) धारा × प्रतिरोध (current × resistance)
(D) वोल्टेज × प्रतिरोध (voltage × resistance)
उत्तर— B
44. 200W/250V रेटेड लैम्प के गर्म प्रतिरोध की गणना करें? (calculate the hot resistance of 200W/250V rated lamp)
(A) 31.25Ω
(B) 62.5Ω
(C) 312.5Ω
(D) 625Ω
उत्तर— C
45. एक खुले सर्किट में प्रतिरोध का मान क्या है? (what is the value of resistance in an open circuit)
(A) शून्य (zero)
(B) कम (low)
(C) अधिक (high)
(D) अनंत (infinity)
उत्तर— D
46. समान्तर परिपथ में जुड़े हुए 50Ω, 220Ω, 450Ω तथा 560Ω प्रतिरोधो में से किस प्रतिरोध में सबसे कम धारा बहाव होगा? (which resistor the lowest current flows in a parallel circuit having the values of 50Ω, 220Ω, 450Ω and 560Ω connected with supply)
(A) 50Ω
(B) 220Ω
(C) 450Ω
(D) 560Ω
उत्तर— D
47. ताम्र चालक का विशिष्ट प्रतिरोध का मान क्या होता है? (what is the specific resistance value of copper conductor)
(A) 1.72 ohm/cm³
(B) 1.72 micro ohm
(C) 1.72 micro ohm/cm
(D) 1.72 micro ohm/m
उत्तर— C
48. चालक के प्रतिरोध के व्युत्क्रमानुपाती क्या होता है? (which is inversely proportional to the resistance of a conductor)
(A) लम्बाई (length)
(B) प्रतिरोधकता (resistivity)
(C) तापमान (temperature)
(D) अनुप्रस्थ काट का क्षेत्रफल (area of cross section)
उत्तर— D

















Please do not enter any spam link in the comment box. All the comments are Reviewed by Admin.